|
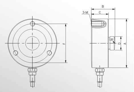
量程 |
尺寸mm |
||||||
|
t |
A |
B |
C |
D |
F |
SR |
M |
|
2.5~15Se |
82.0 |
44.0 |
31.0 |
22.0 |
70.0 |
120.0 |
M8 |
|
15~30Se |
100.0 |
48.5 |
35.0 |
28.0 |
80.0 |
120.0 |
M10 |
|
30 |
126.0 |
54.0 |
40.0 |
35.0 |
90.0 |
120.0 |
M12 |

在線訂購(gòu)